Features
◇ Mechanical pressure gauge, panel is made of acrylic , and ABS black plastic for case.
◇ Back entry type mounting, universal specifications, easy to use.
| How to order | ||
| ZPMR-P ① ② | ||
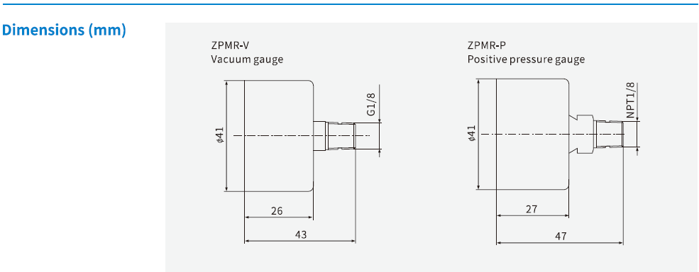
| ① Series | ② Pressure type | Standard connection thread |
| ZPMR | P -Positive | T1M -NPT1/8 Male thread |
| V -Vacuum | G1M -G1/8 Male thread | |
| Technical parameters | |||
| Pressure type | Pressure range | Dial size | material of connector |
| P - Positive | 0 ~ 1 MPa | 1.5″ | Brass |
| V -Vacuum | -100 ~ 0 kPa | ||
